VELOSTER(FS) >2013 > G 1.6 T-GDI > Heating,Ventilation, Air Conditioning > Blower > Blower Resistor>Repair procedures  
Inspection
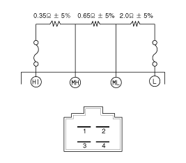
1.
Measure terminal-to-terminal resistance of the blower resistor.
2.
measured resistance is not within specification, the blower resistor must be replaced. (After removing the resistor)

1. ML
2. MH
3. LO
4. HI

Replacement
1.
Disconnect the negative (-) battery terminal.
2.
Disconnect the blower resistor connector and then remove the blower resistor (A) after loosening the mounting screws.

3.
Installation is the reverse order of removal.