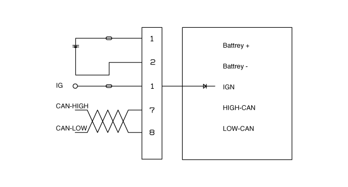
Steering System > Electric Power Steering > Schematic Diagrams
| VELOSTER(FS) >2013 > G 1.6 T-GDI > Steering System > Electric Power Steering>Schematic Diagrams |
|
| VELOSTER(FS) >2013 > G 1.6 T-GDI > Steering System > Electric Power Steering>Schematic Diagrams |
|